The product utilizes MEMS inertial measurement unit to receive the data of main inertial guidance, satellite navigation and frame angle, etc. It can be mounted inside the pod and follow the frame, and supports the transmission alignment start-up mode under the continuous rotation state of the pod. It can compensate the relative installation relationship between the main inertial guidance and the zero position of the pod frame online. After transferring to navigation mode, the output automatically calibrates the relative relationship between the MEMS inertial guide and the frame angle, realizes the decoupling of the pod frame, and outputs the attitude information of the internal and external bases of the frame according to the requirements.

| پارامترها | واحد | Indicator | |||
| On-board main inertial guidance provides the navigation information needed to pass alignment | Gearing accuracy (uniform field, RMS) tion |
Heading angle | درجه | 0.1 | |
| Pitch / roll angle | درجه | 0.05 | |||
| Positional accuracy (RMS) |
Horizontal | م | 1.5 | ||
| قد | م | 3 | |||
| Speed Accuracy (RMS) | m/s | 0.2 | |||
| gyro | Measurement range | ° / s | 400 ± | ||
| Zero-bias stability (10s smo 1σ, room Temp) | درجه / ساعت | 1 | |||
| zero bias full Temp.(10s smo 1σ, room Temp) | درجه / ساعت | 5 | |||
| تکرار تعصب صفر | درجه / ساعت | 0.5 | |||
| وضوح | درجه / ساعت | 1 | |||
| Output noise (half-peak) | ° / s | 0.2 | |||
| Random Walk | ° / √h | 0.03 | |||
| Cross coupling | % | 0.1 | |||
| پهنای باند | هرتز | 400 | |||
| Update Frequency | هرتز | 4000 | |||
| شتاب سنج | Measurement range | جف | 10 ± | ||
| Zero-bias stability (10s smo 1σ, room Temp) | مگس | 0.05 | |||
| zero bias full Temp.(10s smo 1σ, room Temp) | مگس | 2 | |||
| تکرار تعصب صفر | مگس | 0.2 | |||
| Cross coupling | % | 0.1 | |||
| نرخ به روزرسانی داده ها | هرتز | 200((Navigationdata output)/ 4000 (Gyro data | |||
| ولتاژ | V | 5±0.5 | |||
| مصرف برق | W | 2 | |||
| دمای عملیاتی | ℃ | -45~80 | |||
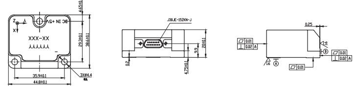
| بعد | مگنی | 44.8*38.6*20 | |||
| وزن | جف | 55 | |||
| رابط | —— | 1 channel RS-422 (navigationdata output) 1 channel RS-422 (high frequency gyro output) 1 channel RS-422 (pass through alignment input 1 channel PPS input |
|||
اگر حساب DHL یا FedEx دارید ، می توانیم قیمت EXW را نقل کنیم ، در غیر این صورت قیمت CIF یا FOB.
بعد از اینکه قیمت نمونه را ارسال کردیم ، در صورت نیاز به مقدار بیشتری ، قیمت فله را نقل خواهیم کرد.
برای سنسورها ، قطعات و ماژول ها: در یک هفته سهام ؛
پس از تأیید اینکه محصول دارای مشکلات با کیفیت است ، ما در کمترین زمان ممکن آن را به صورت رایگان جایگزین خواهیم کرد.
در اینجا ، همه چیز در مورد ارائه محصولات با کیفیت ترین به مشتریان است.